Thông tin mô tả về Kim đo A-5003-5226 của hãng Renishaw

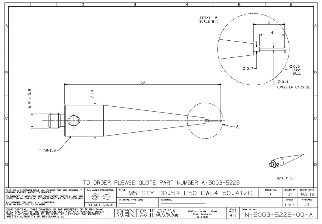
Thông số kỹ thuật của kim đo A-5003-5226
| Vật liệu thân kim | Thép không gỉ |
| Loại ren | M5 |
| Vật liệu đầu chạm | Ruby |
| Đường kính bóng | 0.5 mm |
| Chiều dài kim đo | 50 mm |
Bản vẽ kỹ thuật của kim đo A-5003-5226 của Renishaw

TSE VN Cung cấp . Lắp đặt . Hiệu chuẩn . Sửa chữa . Đào tạo các thiết bị – Linh kiện máy đo công nghiệp từ các hãng
Để được tư vấn về các thiết bị kim đo cho máy đo 3D CMM các loại, vui lòng liên hệ:
ĐC: Đội 2, thôn Xuân Bách, xã Quang Tiến, Sóc Sơn, Hà Nội
VP Phía Nam: Tầng 3 tòa nhà Hà Nam Plaza, số 26/5 QL13, khu phố Tây, phường Vĩnh Phú, Thành Phố Thuận An, tỉnh Bình Dương
VP Vĩnh Phúc: Nguyễn Văn Linh – Liên Bảo – Vĩnh Yên – Vĩnh Phúc
ĐT / Zalo: 0943 735 866/ 0888 492 786
Liên hệ
