Kim đo Renishaw A-5000-4158

Liên hệ
Hãy liên hệ với chúng tôi
Hotline : 0943 735 866

Kim đo Renishaw A-5000-4158

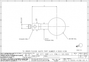
(Kim đo Renishaw A-5000-4158 M2 Ø8 mm ruby ball, stainless steel stem, L 11 mm, EWL 11 mm).

Kim đo Renishaw A-5000-4158 được thiết kế kiểu thẳng. Dùng để kiểm tra các tính năng đơn giản, có thể tiếp xúc trực tiếp và không cản trở với bề mặt được đo. Thân đo được làm bằng vật liệu carbon đặc biệt nên rất cứng, phù hợp đo các máy có đường kính bóng và thân nhỏ.

Đầu kim cảm ứng làm bằng Ruby theo tiêu chuẩn công nghiệp. Nó là một trong những vật liệu rất cứng và phù hợp với các ứng dụng. Do đầu kim làm bằng Ruby và có chất kết dính nên không được khuyến nghị để quét các vật liệu bằng nhôm.

Kim đo Renishaw A-5000-4158

Thông số kỹ thuật kim đo Renishaw A-5000-4158

Thread M2
Ball dia 8 mm
Stem material Stainless steel
Tip material Ruby
Holder material Stainless steel
Centre styli N

 

Bản vẽ kim đo Renishaw A-5000-4158

Kim đo Renishaw A-5000-4158

 

Đến với TSE VN là đến với sự an tâm
Tư vấn Mua mới – Hiệu chuẩn – Sửa chữa – Đào tạo vui lòng liên hệ:
Chat trực tiếp với CSKH. Liên hệ qua fanpage facebook.
Công ty TNHH TOUSEI ENGINEERING VIET NAM
ĐC: Đội 2, thôn Xuân Bách, xã Quang Tiến, Sóc Sơn, Hà Nội
VP Phía Nam: Tầng 3 tòa nhà Hà Nam Plaza, số 26/5 QL13, khu phố Tây, phường Vĩnh Phú, thị xã Thuận An, tỉnh Bình Dương
VP Vĩnh Phúc: Nguyễn Văn Linh – Liên Bảo – Vĩnh Yên – Vĩnh Phúc
ĐT / Zalo: 0943 735 866/ 0888669486
Email: sale@toseivn.com / tech2@toseivn.com / sale1@toseivn.comtsevn@toseivn.com
Website: https://www.tousei.com.vn/ – https://www.toseivn.comhttps://www.tskvn.com.vn

Liên hệ

Tin Liên Quan