KIM ĐO A-5000-7813 M2 30 L10

Kim đo máy CMM A-5000-7813 M2 30 L10
Liên hệ
Hãy liên hệ với chúng tôi
Hotline : 0943 735 866

Thông tin mô tả về kim đo A-5000-7813 của hãng Renishaw

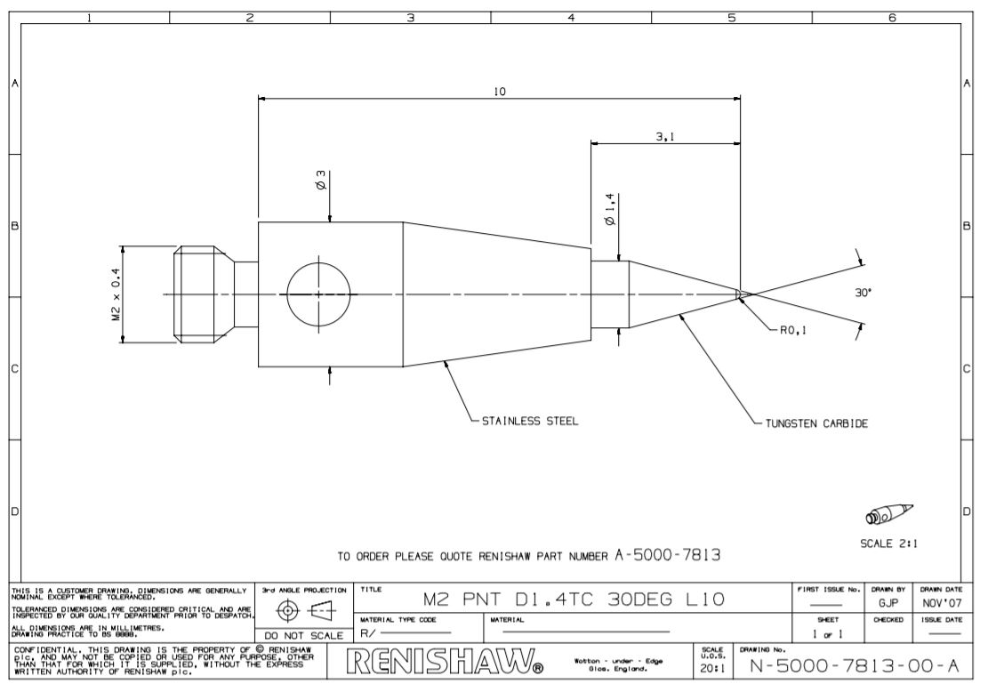
Kim đo mũi nhọn (Pointed styli) A-5000-7813 được thiết kế để kiểm tra các dạng ren, các điểm cụ thể và các đường vẽ nguệch ngoạc.

 Cấu trúc đầu kim là cacbua vonfram rất lý tưởng cho các ứng dụng yêu cầu giao diện cứng với vật phẩm được kiểm tra.

Tương đương với số hiệu thiết bị của Mitutoyo: K651098

Tương đương với số hiệu thiết bị của Q-Mark: TM2-S30-C

Kim đo A-5004-5788

Thông số kỹ thuật của kim đo A-5000-7813

Loại M2
Vật liệu thân kim Thép không gỉ
Vật liệu đầu kim Cacbua vomfram
Kích thước góc kim 30°
Chiều dài kim L 10 mm

Bản vẽ kỹ thuật của kim đo A-5000-7813

Bản vẽ kim đo A-5000-7813


TSE VN Cung cấp – Lắp đặt – Hiệu chuẩn – Sửa chữa – Đào tạo các thiết bị – Linh kiện máy đo công nghiệp từ các hãng

Để được tư vấn về các thiết bị kim đo cho máy đo 3D CMM các loại, vui lòng liên hệ:

ĐC: Đội 2, thôn Xuân Bách, xã Quang Tiến, Sóc Sơn, Hà Nội
VP Phía Nam: Tầng 3 tòa nhà Hà Nam Plaza, số 26/5 QL13, khu phố Tây, phường Vĩnh Phú, Thành Phố Thuận An, tỉnh Bình Dương
VP Vĩnh Phúc: Nguyễn Văn Linh – Liên Bảo – Vĩnh Yên – Vĩnh Phúc
ĐT / Zalo: 0943 735 866/ 0888 492 786
Liên hệ

Tin Liên Quan