Đầu dò cảm biến (Probe renishaw) của máy đo tọa độ 3D Coordinates Measuring Machine (CMM)
- Renishaw cho máy đo phối hợp (CMM) là một tiêu chuẩn công nghiệp.
- Đo lường 5 trục là hệ thống cho phép bút stylus đi theo một đường liên tục xung quanh các thành phần phức tạp mà không cần phải rời khỏi bề mặt để thay đổi cụm bút hoặc chỉ mục đầu.
- Phạm vi sản phẩm đo lường 5 trục mang lại tốc độ chưa từng có và tính linh hoạt trong phép đo. Nó giúp tránh được sự thỏa hiệp giữa tốc độ và độ chính xác vốn có trong các kỹ thuật thông thường.
- Cho dù quét REVO hay cảm ứng PH20, hệ thống 5 trục của Renishaw đều tăng cường thông lượng đo, giảm thiểu thời gian thực hiện và giúp các nhà sản xuất đánh giá toàn diện hơn về chất lượng sản phẩm của họ.
![]() |
![]() |
![]() |
![]() |
Đặc tính của đầu dò cảm biến
- Hệ thống REVO sử dụng chuyển động đồng bộ và công nghệ đo 5 trục để giảm thiểu các tác động động của chuyển động của máy đo tọa độ (CMM) ở tốc độ đo siêu cao. Việc giảm tác động này được thực hiện bằng cách để đầu REVO-2 thực hiện chuyển động nhanh trong khi CMM chuyển động theo kiểu tuyến tính chậm.
- Đầu dò cảm biến đầu nhọn càng làm tăng thêm độ chính xác, tính linh hoạt và hiệu suất của hệ thống.
- Hệ thống đầu dò có thể tháo rời cung cấp năm cảm biến chuyên biệt bao gồm quét, hoàn thiện bề mặt và đo ánh sáng có cấu trúc, được sử dụng với bộ thay đổi chi phí thấp, mang lại sự linh hoạt hơn và giảm chi phí vốn.
- Hiệu chuẩn nhanh hơn. Hiệu chuẩn REVO trên bóng datum Hiệu chuẩn trên các hệ thống CMM truyền thống tiêu tốn một lượng thời gian đáng kể có thể được sử dụng để đo từng phần. Sử dụng quả cầu gắn trên bàn, kỹ thuật hiệu chuẩn đơn giản và thiết thực cho REVO-2 xác định hình dạng đầu dò và đầu dò thực tế, cho phép đo ở bất kỳ vị trí nào từ một thao tác duy nhất.

Hình: Mô tả chuyển động của Renishaw REVO-2
Thông số kỹ thuật của đầu dò Renishaw REVO-2
| Nhiệt độ hoạt động | +10 °C to +40 °C (+50 °F to +104 °F) |
|---|---|
| Nhiệt độ kho | -25 °C to +70 °C (-13 °F to +158 °F) |
| Khối lượng (bao gồm đầu dò và cáp) | 2.1 kg (4 lb 10 oz) |
| Chiều cao (thổng thể) | 176.5 mm (6.95 in). đuôi đầu dò gồm tấm gắn 4mm |
| Trục B | 92 mm × 93.5 mm (3.62 in × 3.68 in) |
| Đường kính quét trục A | 116 mm (4.56 in) |
| Tốc độ di chuyển | 3 vòng/ giây |
| Góc quay trục B | Liên tiếp |
| Độ phân giải góc | 0.02 arc sec (0.01 µm / 100 mm) |
| Vòng bi | Tốc độ lên tới 35 l/min (5 bar đến 8.5 bar) |
| Hệ thống thay đổi giá đỡ | RCP TC-# để thay đổi đầu dò / RCP thay đổi bút cảm ứng; VPCP and VMCP cho hệ thống vision |
| Gắn | Gắn đuôi đầu dò theo hướng thẳng đúng (có thể cần bộ chuyển đổi) |

Hình: Mô tả cấu tạo của Renishaw REVO-2

Hình: Các khớp nối đầu dò Renishaw
Đầu dò cảm biến Renishaw PH20
- Mang đến khả năng đo 5 trục cho các ứng dụng kích hoạt cảm ứng trên mọi kích thước CMM.
- Tăng thông lượng – nhanh hơn gấp 3 lần so với các đầu chia.
- Dễ dàng truy cập các tính năng ở mọi góc độ với khả năng định vị vô hạn.
- Hiệu chuẩn nhanh hơn Đầu dò TP20 tiêu chuẩn công nghiệp tích hợp.
- Cải thiện hiệu suất đo lường kích hoạt cảm ứng.
- Có sẵn trên CMM mới hoặc dưới dạng trang bị thêm.
![]() |
![]() |
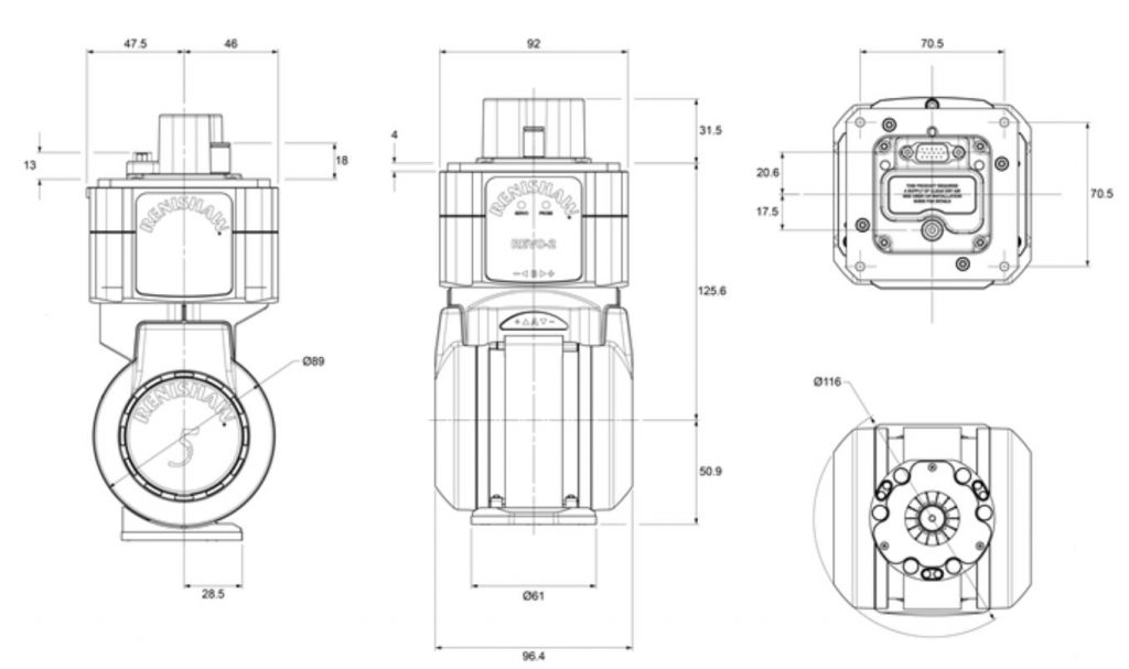
Hình Đầu đo Renishaw PH20 – Kích thước (mm)
Thông số kỹ thuật của PH20
| ISO 10360-5 (2001) hiệu suất sử dụng là mô-đun lực std với bút cảm ứng theoISO 10360-2 (2002) thông số kỹ thuật 0.48 + L/1000 (chỉ định bới TP7) | CMM chạm | Đầu chạm |
| Kích cỡ | 0.0006 mm (0.00002 in) | 0.0002 mm (0.00001 in) |
| Mẫu | 0.0026 mm (0.00010 in) | 0.0024 mm (0.00009 in) |
| Vị trí | 0.0013 mm (0.00005 in) | 0.0009 mm (0.00003 in) |
| Trọng lượng( bao gồm mô-đun và dây cáp) | 810 g (28.6 oz) |
|---|---|
| Khoảng nhiệt độ hoạt động | 15 °C to 35 °C (59 °F to 95 °F) |
| Khoảng nhiệt độ kho | -25 °C to 70 °C (-13 °F to 158 °F) |
| Tốc độ di chuyển tối đa | 3 revs/s (1281 mm/s với mô-đun chuẩn and 10 mm bút cảm ứng) |
| Tốc độ đầu chạm tối đa | 50 mm/s |
| Góc xoay trục A | -115° to 115° |
| Góc xoay trục B | Định vị vô cực |
| Độ phân giải góc | 0.4 µRadians (0.04 µm/100 mm) |
| Vòng bi | Cơ học |
| Hệ thống thay đổi giá đỡ | TCR20 |
| Cần điều khiển | MCUlite-2 / MCU5 / MCU5-2 / MCU W / MCU W-2 |
Phạm vi độ dài bút cảm biến cho đầu dò PH20

Chúng tôi chuyên Cung cấp các thiết bị phụ kiện đầu dò – kim đo cho máy đo 3D các hãng. Đội ngũ kỹ thuật viên chuyên nghiệp để Lắp ráp – Hiệu chuẩn – Sửa chữa các đầu dò cho máy đo toạ độ 3D một cách chính xác
TSE VN Cung cấp – Lắp đặt – Hiệu chuẩn – Sửa chữa – Đào tạo các thiết bị máy đo công nghiệp từ các hãng
Để được tư vấn về Đầu dò cảm biến Probe Renishaw Revo CMM, vui lòng liên hệ:
Chat trực tiếp với CSKH. Fanpage facebook Công ty TNHH TOUSEI ENGINEERING VIET NAM
ĐC: Đội 2, thôn Xuân Bách, xã Quang Tiến, Sóc Sơn, Hà Nội
VP Phía Nam: Tầng 3 tòa nhà Hà Nam Plaza, số 26/5 QL13, khu phố Tây, phường Vĩnh Phú, Thành Phố Thuận An, tỉnh Bình Dương
VP Vĩnh Phúc: Nguyễn Văn Linh – Liên Bảo – Vĩnh Yên – Vĩnh Phúc
ĐT / Zalo: 0943 735 866/ 0888 492 786
Liên hệ






