Thông tin mô tả về Kim đo A-5000-5307 của hãng Renishaw
Kim đo mũi cong A-5000-5307 ( Stylus crank) được thiết kế để kiểm tra các dạng phôi có thiết kế lõm trong, bù đắp khuyết điểm của kim đo dạng thẳng.

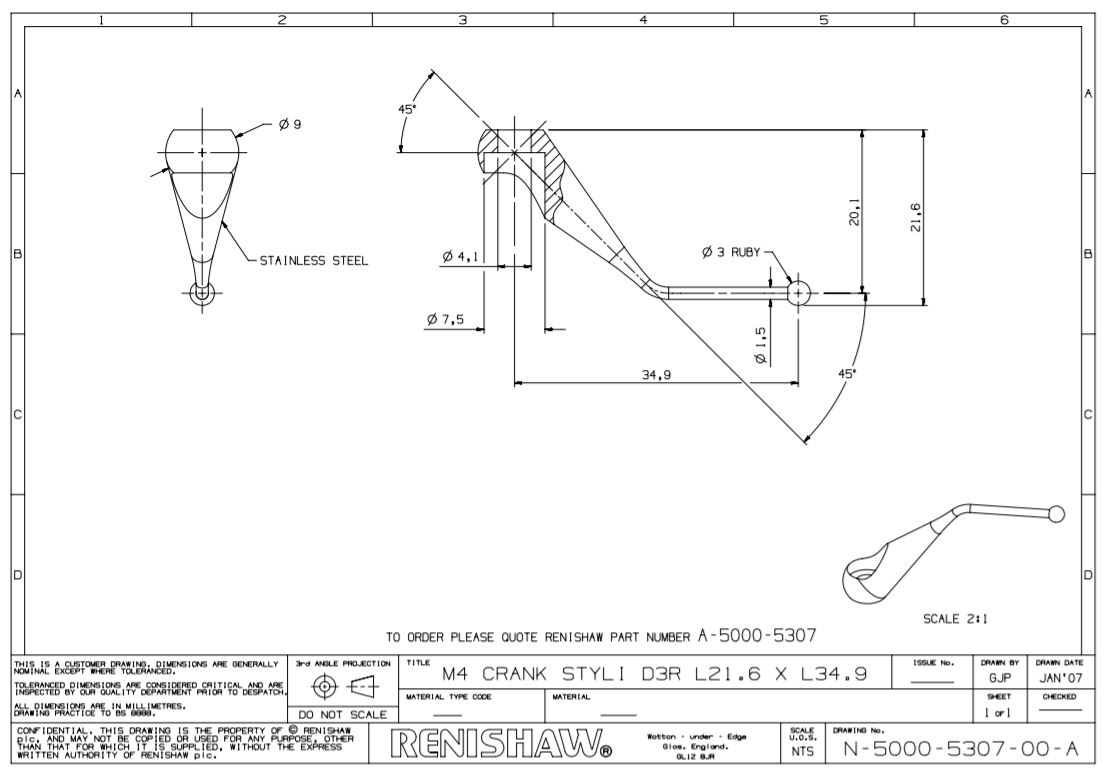
Thông số kỹ thuật của kim đo A-5000-5307
| Loại | M4 |
| Vật liệu thân kim | Thép không gỉ |
| Vật liệu quả cầu | Ruby |
| Kích thước mũi bóng | 3mm |
| Chiều dài thân kim đo | L 26.4 mm và L 34.9 mm |
Bản vẽ kỹ thuật của kim đo A-5000-5307 của Renishaw

TSE VN Cung cấp . Lắp đặt . Hiệu chuẩn . Sửa chữa . Đào tạo các thiết bị – Linh kiện máy đo công nghiệp từ các hãng
Để được tư vấn về các thiết bị kim đo cho máy đo 3D CMM các loại, vui lòng liên hệ:
ĐC: Đội 2, thôn Xuân Bách, xã Quang Tiến, Sóc Sơn, Hà Nội
VP Phía Nam: Tầng 3 tòa nhà Hà Nam Plaza, số 26/5 QL13, khu phố Tây, phường Vĩnh Phú, Thành Phố Thuận An, tỉnh Bình Dương
VP Vĩnh Phúc: Nguyễn Văn Linh – Liên Bảo – Vĩnh Yên – Vĩnh Phúc
ĐT / Zalo: 0943 735 866/ 0888 492 786
Liên hệ
